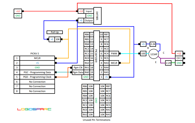
Single Channel +12 Volt Protocol Controller

Microcontroller circuit diagram with labeled components.